Druk - odrobina profesjonalizmu
Wykonanie układu na płytce stykowej zajmuje 10 min. Już po chwili pajęczyna oplatająca Arduino i moduły i elementy dodatkowe gotowa jest do testowania oprogramowania. To naprawdę duże ułatwienie w stosunku do klasycznie lutowanego pająka. I możliwość dowolnych zmian bez użycia jakichkolwiek narzędzi. Gorąco polecam stosowane płytek stykowych we wczesnej fazie tworzenia projektu.Za chwilę jednak nadchodzi potrzeba wykonania jakiejś tam wersji finalnej. Najłatwiej zastąpić pajęczynę płytki stykowej pajęczyną na uniwersalnej płytce drukowanej. Warto od razu kupić te wykonane na dobrym laminacie w wersji dwustronnej z metalizacją otworów - znakomicie ułatwiają montaż. I wyglądają "poważnie". Choć sama technologia łączenia elementów krosówką i srebrzanką jest baaaardzo żmudna i pracochłonna, w jej efekcie otrzymujemy coś co już możemy na stałe użytkować jako wersja ostateczna. A po umieszczeniu w obudowie może nawet udawać pełen profesjonalizm wykonania. Ale nie ma co się oszukiwać. Po zajrzeniu na spodnią stronę płytki widać, że ten sposób montażu jest dobry dla 20 - 30 punktów lutowniczych. Powyżej, plątanina kabelków jest nie do ogarnięcia. I całkowicie zniechęca gdy trzeba wykonać jedną lub więcej kopii tego samego układu.
W tym przypadku warto sięgnąć po dzisiejsze możliwości technologii wykonania profesjonalnych płytek drukowanych. Z lenistwa odrzuciłem pomysł samodzielnego ich wykonywania na laminacie pokrytym fotoczułą emulsją. Zapytam kilku wykonawców o koszt wykonania pojedynczych egzemplarzy płytek układu sterowania bramą. Mam nadzieje, że będą atrakcyjne. - na wykonanie pojedynczej płytki o wymiarach 5x7 cm w wersji dwustronnej z wierceniem i metalizacją otworów nie chciałbym więcej wydać niż 20-40zł. Przy kilku szt. cena jednostkowa powinna szybko maleć.
Jest tylko jeden problem w jakimś programie taką płytkę zaprojektować. Teoretycznie można ją narysować nawet w Paint'cie, wiele firm przyjmuje dokumentacje w formacie np. pdf. Ale lepszym pomysłem jest zastosowanie jakiegoś programu do tworzenia płytek. Najlepiej darmowego.
Wstępnie wytypowałem do testów dwa - profesjonalny standard EAGLE oferujący możliwość darmowej pracy na płytkach o rozmiarze nie większych niż 10x8 cm i w pełni darmowy DesignSpark.
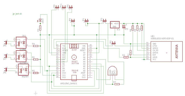
EAGLE - Tu czuć klasę i pomimo złożoności bardzo intuicyjny. Ściągnąłem wersję 7.6 i przy instalacji wybrałem wersję darmową z ograniczeniami. Najpierw poszukałem bibliotek z Arduino NANO - są oczywiście dostępne bez problemu. Polecam DIY Modules zawiera Arduino + różne moduły w tym ESP-01!
Rysowanie schematu poszło bez użycia helpa - tylko pierwsze wyszukiwanie elementów po bibliotekach jest czasochłonne. Ale edycja schematu po prostu bajka.
Z projektowaniem płytki poszło trudniej - tu już trochę trzeba sobie pomóc zewnętrznym wsparciem. Korzystałem z baaaaardzo krótkiego kursu projektowania w EAGLE - 9 lekcji i taki efekt
Dwa dni nauki i pracy i płytka gotowa
Teraz czekamy na oferty jej wykonania
cdn.......


Brak komentarzy:
Prześlij komentarz